Curtains!
I’ve bought an apartment “off the plan”, which allowed me to make (some) changes to the layout before settlement. They were happy to put in extra Ethernet points, but one of the places I asked them to put one confused them no end: up high behind the pelmet for the main window. You can guess what I’m doing there; they just acceded to the request.
Design
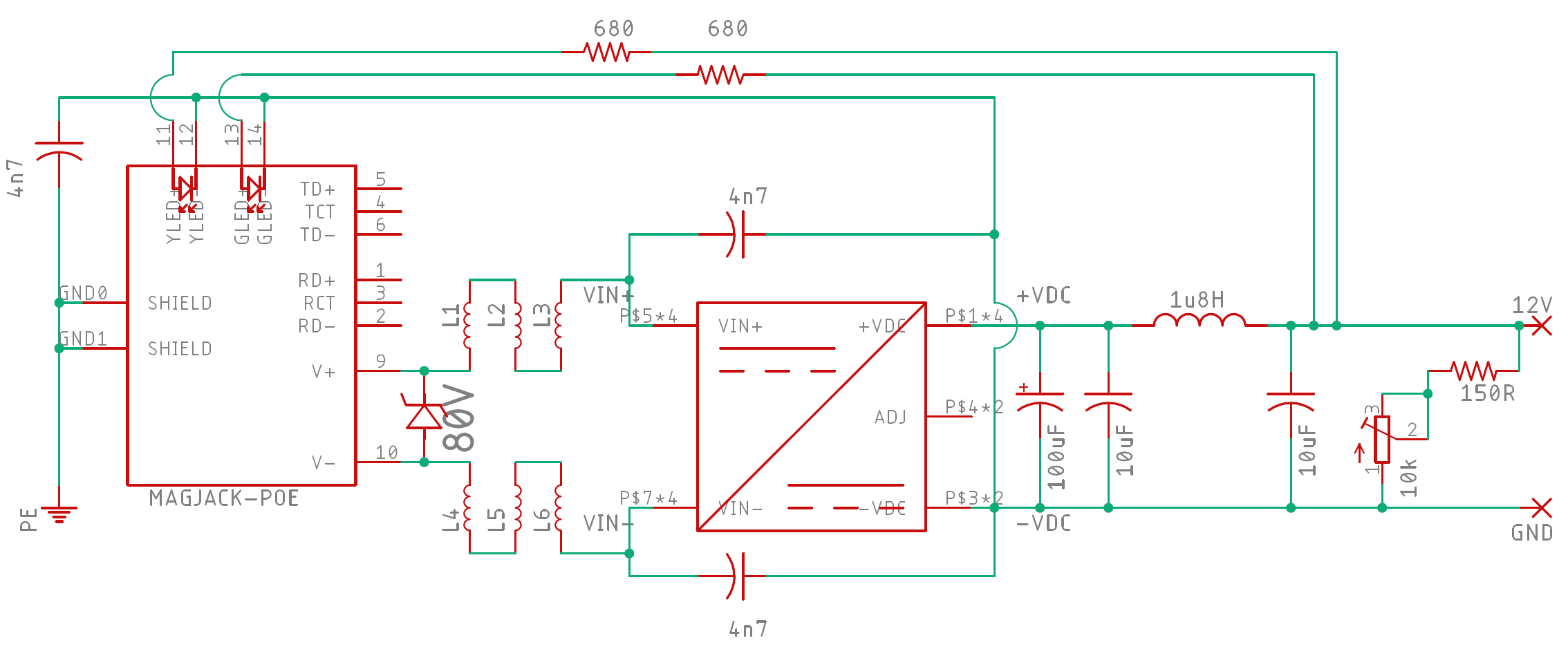
So the curtain motor is 12V at 0.833A, and is controlled by a 433MHz RF “garage door opener” signal. That meant that I had to be careful with EMI/EMC for any PoE adapter – so I’m using the Silvertel AG9912‑MT. Its most important feature? To me, it’s that it has thermal cutout: if it overheats, it simply stops providing current.

Datasheet
According to the datasheet, the barest minimum of external components is two bridge rectifiers on the PoE input, and one electrolytic capacitor on the output. For safety, they recommend an 80V TransZorb zener across the input. They also say that EMI is an issue, so suggest six ferrite beads on the input, an inductor and two extra capacitors on the output, and two 2kV decoupling capacitors straddling the input and output. Oh, and one application note also had a 2kV capacitor between Protective Earth (the shield) and ground.
Heat
For heat dissipation, they recommend using a thermal pad between the module and the PCB, so there needs to be a solder-mask-free void where the module goes on the PCB. Annoyingly, there’s also a 1,500V separation requirement between input and output, so there needs to be keepout areas too. Thus there isn’t as much copper available for heat transfer, but what is available should have vias to the other side of the PCB for more dissipation area.
All of these ameliorate the heat issue – but again, the module has a thermal cutout, so it’s still safe.
Schematic
To simplify things, and allow as small a board as possible (only 1″ x 2″), I found the Würth Elektronik PoE MagJack, which has all the bridge rectifiers and magnetics inside the housing. Expensive, but worth it!

PCB
OSH Park

Flexibility
So that just left the other external components, and a layout that was as flexible as possible: the space for the AG99xx module has both THD and SMD pads, and all the places for external components are there: I can either fit, omit, or solder across each place, depending on the end use case. Unfortunately, with that small area I haven’t got access to the actual Ethernet data lines – not that this project needs them!
Whine
My pet hate with switched mode power supplies is the coil whine that many have. And the module is reported to suffer this too at low current draw; under 100mA. The motor will draw plenty when it’s working, but 99% of the time I didn’t want the thing whining away.
Solution
Solution: increase the base current load! First of all I added connections to both the MagJack’s LEDs: 15mA each with 680Ω resistors. They’ll stay illuminated permanently if the resistors are fitted. I also added a 2W 150Ω resistor, which at 12V is nicely 80mA and 0.96W.
Note that both of those resistor values were calculated on the 12V output of the module – other voltage modules will need different values.
But I didn’t want to simply waste that power if I didn’t have to, so I also added a 10kΩ potentiometer. Before installing I’ll turn the pot full on for minimal load, and expect a whine. I can then decrease the pot, increasing the load, until the whine goes away.
Heat
Assuming that adjustment will still be most of the documented 100mA, then with the motor running also I’m pretty much maxing out the AG9912-MT. Heat dissipation even for that short time is still a concern, so although I’m 3D printing a shell to hold the board, I won’t use a lid to help with ventilation.
But if all of those measures fail, it will simply cut out. So what if the blind doesn’t go all the way down (or up)? Of course, I don’t want that – but it’s a safety thing.
Components
All of the above is completely theoretical, designed off datasheets and some napkin mathematics. But that’s what I love about OSHPark: $10 for three boards is cheap; the components will cost more! Below is the Bill of Materials for the PCB, with DigiKey part numbers and pricing – at the quantities I bought them at, anyway.
Note the one thermal pad will be sufficient for over 300 of these!
All of the components’ placements should be obvious, either by the silkscreen or pad shape (careful that the AG9912-MT goes in “upside down” – check for Pad #1). The only unlabelled pads are the six (vertical) 0805 ferrite beads just above the MagJack.
Options
You can choose to not include most of the components:
- The 2W 150Ω resistor and trimpot are in series, so either omit both, or bridge the missing trimpot with a fixed resistance – note omitting just the 2W resistor would be a mistake, since the trimpot is only ¼W!
- The ferrite beads are also in-line, so rather than omitting them they need to be solder-bridged, or 0805 0Ω resistors used.
Bill of Materials
| Description | Option? | Value | Size | Manufacturer | Qty | DigiKey (mostly) | ||
|---|---|---|---|---|---|---|---|---|
| Name | Part number | Part number | Each | |||||
| PoE module | No | 12V | 21×14 mm | Silvertel | AG9912-MT | 1 | Symmetry Electronics | $7.93 |
| Thermal pad | Omit | 0.1” | 16”x8” | Bergquist | GPVOUS-0.100-01-0816 | 1 | 211-GPVOUS-0.100-01-0816-ND | $36.45 |
| PoE MagJack | No | 10/100 | 21.8×15.9mm | Würth Elektronik | 7499210121A | 1 | 732-4974-ND | $10.23 |
| Zener | Omit | 80V | DO-214AC | Vishay TransZorb | SMAJ58A-E3/5A | 1 | SMAJ58A-E3/5AGICT-ND | $0.295 |
| Inductor | Omit | 1u8H | 6.3mm | Murata | 1255AY-1R8N=P3 | 1 | 490-10804-1-ND | $0.440 |
| TrimPot | Omit / Bridge |
10kΩ ¼W | 5×4.5mm | Ohmite | SMUB103PET | 1 | SMUB103PETCT-ND | $1.410 |
| Resistor | 150Ω 2W | 1225/2512W | Vishay Dale | RCL1225150RJNEG | 1 | RCL150FCT-ND | $0.480 | |
| Resistor | Omit | 680Ω ¼W | 1206 | Panasonic | ERJ-8GEYJ681V | 2 | P680ECT-ND | $0.028 |
| Capacitor | No | 100uF | 8.0mm | Panasonic | EEE-1EA101AP | 1 | PCE4593CT-ND | $0.170 |
| Capacitor | Omit | 10uF 25V | 1210 | Samsung | CL32A106KA9LNNE | 2 | 1276-2882-1-ND | $0.391 |
| Capacitor | Omit | 4n7F 2kV | 1210 | Kemet | C1210X472KGRACAUTO | 3 | 399-16765-1-ND | $1.671 |
| Ferrite bead | Bridge | 1kΩ | 0805 | TDK Corp | MMZ2012S102ATD25 | 6 | 445-172862-1-ND | $0.053 |
| TOTAL | (Extended) | $27.27 | ||||||
